一种用于航空重力供电系统的新型电路连接方式 |
| 蒋久明, 安战锋, 石磊, 孟庆奎, 金久强, 王志博 |
|
A new circuit connection for airborne gravity power supply system |
| JIANG Jiu-Ming, AN Zhan-Feng, SHI Lei, MENG Qing-Kui, JIN Jiu-Qiang, WANG Zhi-Bo |
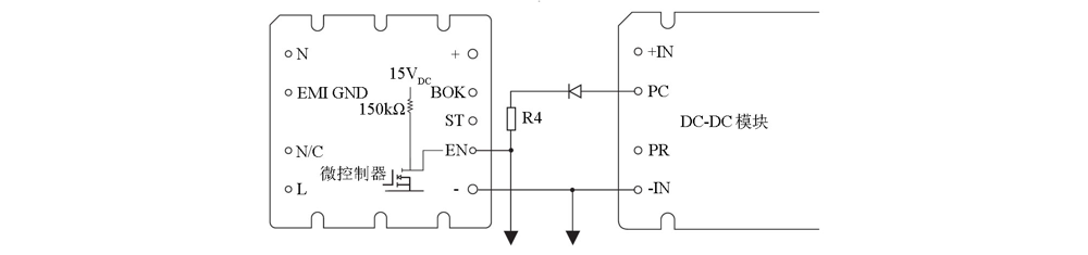
| 图6 FARM2T11的EN端驱动DC-DC模块PC端 |
| Fig.6 The EN port of FARM2T11 drives the PC port of DC-DC module |
|